Zum Inhalt
NEU: Events vieler Veranstalter direkt auf R4F buchen. Bequem und einfach. Jetzt buchen

Acumen DG8 montieren (Yamaha R6 Rj15)

Fahrwerk, Tuning, Reifen, Tips&Tricks,...

Moderatoren: as, Chris

  • Tazzfilms Offline
  • Beiträge: 5
  • Registriert: Dienstag 16. Juni 2020, 20:09
  • Motorrad: Yamaha R6 Rj15
  • Lieblingsstrecke: Noch keine.

Acumen DG8 montieren (Yamaha R6 Rj15)

Kontaktdaten:

Beitrag von Tazzfilms »

Hallo zusammen,
Ich hätte hier eine kleine Frage und zwar ..
Will ich mir an meiner R6 eine Ganganzeigen montieren.
Nun brauche ich für diese einpaar Kabel zusammen zu löten doch bevor, muss ich noch wissen welche Kabel ich dazu benötige.
Auf dem einten Bild seht ihr die Anleitung von der Ganganzeige und auf dem anderen den Tacho Stecker. Ich habe alle Kabel bis auf Drehzahlmesser und Geschwindigkeit herausgefunden.
Meine Frage wäre wo ich jetzt die beide Kabel am Tacho anschliessen muss. Am besten gleich die Kabelfarbe oder Pin Nummer am Stecker.
Ich bedanke mich schon im voraus für eure Hilfe!!
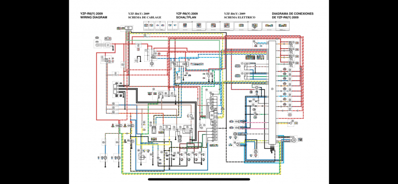
Bild vom Schaltplan
Bild vom Schaltplan
Bild von der Anleitung
Bild von der Anleitung
Bild von der Anleitung
Bild von der Anleitung
Bild vom Tachostecker
Bild vom Tachostecker
  • Benutzeravatar
  • Lutze Offline
  • Beiträge: 16992
  • Registriert: Montag 7. Juni 2004, 22:12
  • Motorrad: GSXR-750
  • Lieblingsstrecke: Most
  • Wohnort: Tangerhütte
  • Kontaktdaten:

Re: Acumen DG8 montieren (Yamaha R6 Rj15)

Kontaktdaten:

Beitrag von Lutze »

Drehzahl schwarz/gelbe Leitung, Geschwindigkeit nicht am Tacho sondern direkt am Sensor bzw. der ECU.
Drehzahl geht auch graue Leitung an der ECU.
Erfahrung ist eine gute Sache.Leider macht man sie erst kurz nachdem man sie gebraucht hätte!
  • Tazzfilms Offline
  • Beiträge: 5
  • Registriert: Dienstag 16. Juni 2020, 20:09
  • Motorrad: Yamaha R6 Rj15
  • Lieblingsstrecke: Noch keine.

Re: Acumen DG8 montieren (Yamaha R6 Rj15)

Kontaktdaten:

Beitrag von Tazzfilms »

Vielen Dank!! Wo meinst du den genau wegen der Geschwindigkeit wo ich das abbekomme?
  • Benutzeravatar
  • Lutze Offline
  • Beiträge: 16992
  • Registriert: Montag 7. Juni 2004, 22:12
  • Motorrad: GSXR-750
  • Lieblingsstrecke: Most
  • Wohnort: Tangerhütte
  • Kontaktdaten:

Re: Acumen DG8 montieren (Yamaha R6 Rj15)

Kontaktdaten:

Beitrag von Lutze »

Musst du mal im Handbuch gucken da müssten ja die Bauteile aufgelistet sein. Denke die 47 ist der Speedsensor und die eine Leitung die dort zur ECU geht ist das Signal. Stecker ist auf jeden Fall so ein dreieckiger wie er dort auch aufgezeichnet ist. Und am Stecker siehst du auch noch die pinkfarbene Leitung.
Erfahrung ist eine gute Sache.Leider macht man sie erst kurz nachdem man sie gebraucht hätte!
  • Tazzfilms Offline
  • Beiträge: 5
  • Registriert: Dienstag 16. Juni 2020, 20:09
  • Motorrad: Yamaha R6 Rj15
  • Lieblingsstrecke: Noch keine.

Re: Acumen DG8 montieren (Yamaha R6 Rj15)

Kontaktdaten:

Beitrag von Tazzfilms »

Vielen Dank habe es jetzt gefunden.
Jetzt habe ich nur das Problem das wenn ich die Ganganzeige anlernen will, meine Gänge nicht erkannt werden am Acumen DG8. Ich vermute es liegt an den Kabel das ich von der Kontrollleuchte auf Masse anschliessen muss. Kann mir jemand sagen wo ich das am besten anschliesse? Also das grüne Kabel vom Acumen DG8.

Grüsse
Antworten