Zum Inhalt
NEU: Events vieler Veranstalter direkt auf R4F buchen. Bequem und einfach. Jetzt buchen

Radlager Bezeichnung Yamaha r6 rj11/rj15

Fahrwerk, Tuning, Reifen, Tips&Tricks,...

Moderatoren: as, Chris

  • Benutzeravatar
  • Cowboy1984 Offline
  • Beiträge: 835
  • Registriert: Sonntag 1. Januar 2006, 18:20
  • Motorrad: Yamaha rj15
  • Lieblingsstrecke: Brünn
  • Wohnort: Oftersheim am Hockenheimring
  • Kontaktdaten:

Radlager Bezeichnung Yamaha r6 rj11/rj15

Kontaktdaten:

Beitrag von Cowboy1984 »

Hallo zusammen,
ich befürchte ich habe mir ein Radlager beim einbau kaputt gemacht.

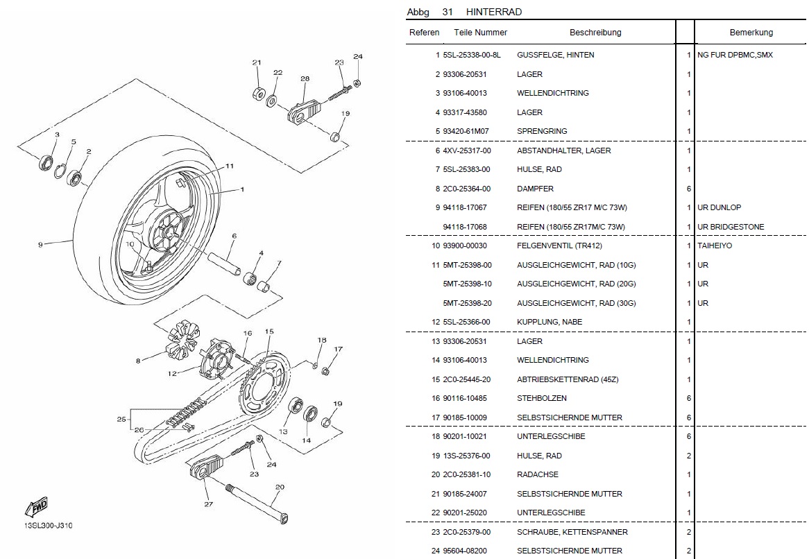
Pos. 4 Teilenummer 93317-43580 Lager ist zwar drin aber die Hülse Pos. 7 lässt sich nur schwer mit der Hand drehen.
Also endweder es läuft sich beim resten Rollout wieder ein oder ich brauche Ersatz.
Hinterrad r6.jpg
Wo bezieht ihr eure Radlager ? Hat jemand eine Idee wo ich das Lager kostengünstig bekommen könnte ?

Bei http://www.kfm-motorraeder.de 50 €uro

https://www.kfm-motorraeder.de/cms/orig ... 3174358000

Soviel hat mich der ganze Radlagersatz komplett gekostet :shock:

Kann die SKM Bezeichung leider nicht richtig erkennen. :?
  • Benutzeravatar
  • Harm Offline
  • Beiträge: 2163
  • Registriert: Donnerstag 11. September 2014, 15:00
  • Motorrad: ZXR 750 + ZX10R
  • Lieblingsstrecke: Brünn
  • Wohnort: Dillingen / Donau

Re: Radlager Bezeichnung Yamaha r6 rj11/rj15

Kontaktdaten:

Beitrag von Harm »

Miss Aussen und Innendurchmesser, die Breite und bestell Dir bei SKF/FAG etc. ein Neues fuer kleines Geld.
S.
2021 - immer noch Hausbau
  • Benutzeravatar
  • wolli Offline
  • Beiträge: 774
  • Registriert: Dienstag 13. Juli 2010, 10:25
  • Motorrad: R6 RJ11/RJ15
  • Wohnort: Neuss

Re: Radlager Bezeichnung Yamaha r6 rj11/rj15

Kontaktdaten:

Beitrag von wolli »

@ Cowboy ---- Also wenn ich mal gaaaaanz scharf nachdenke ... hätte ich evtl eine Idee :alright:


Hy. wie lange kenne wir uns jetzt schon :x

Das ist ein HK 3520 2RS...
ACHTUNG!!!!!! Der Innenring ist ein Sondermaß und den bekommst du nur bei Yamaha !!
ich habe genau hingeschaut.
DA WAR KEIN BREMSPUNKT !!!

http://www.ahnendorptuning.nl
IJUIN Motorsport Neuss
  • Benutzeravatar
  • Harm Offline
  • Beiträge: 2163
  • Registriert: Donnerstag 11. September 2014, 15:00
  • Motorrad: ZXR 750 + ZX10R
  • Lieblingsstrecke: Brünn
  • Wohnort: Dillingen / Donau

Re: Radlager Bezeichnung Yamaha r6 rj11/rj15

Kontaktdaten:

Beitrag von Harm »

https://www.kugellager-express.de/nadel ... 5x42x20-mm
Das mit dem innenring halte ich für nen Mythos.
Auch Yamaha benutzt lager von den großen Herstellern....da is nix extra nur für das eine Moped entwickelt.
S.
2021 - immer noch Hausbau
  • Benutzeravatar
  • wolli Offline
  • Beiträge: 774
  • Registriert: Dienstag 13. Juli 2010, 10:25
  • Motorrad: R6 RJ11/RJ15
  • Wohnort: Neuss

Re: Radlager Bezeichnung Yamaha r6 rj11/rj15

Kontaktdaten:

Beitrag von wolli »

Na dann mal viel Erfolg beim suchen. !
Um es nicht ganz so schwer zu machen .
Die Maße 28x35x29 mm
ich habe genau hingeschaut.
DA WAR KEIN BREMSPUNKT !!!

http://www.ahnendorptuning.nl
IJUIN Motorsport Neuss
  • Benutzeravatar
  • Harm Offline
  • Beiträge: 2163
  • Registriert: Donnerstag 11. September 2014, 15:00
  • Motorrad: ZXR 750 + ZX10R
  • Lieblingsstrecke: Brünn
  • Wohnort: Dillingen / Donau

Re: Radlager Bezeichnung Yamaha r6 rj11/rj15

Kontaktdaten:

Beitrag von Harm »

2021 - immer noch Hausbau
  • Benutzeravatar
  • wolli Offline
  • Beiträge: 774
  • Registriert: Dienstag 13. Juli 2010, 10:25
  • Motorrad: R6 RJ11/RJ15
  • Wohnort: Neuss

Re: Radlager Bezeichnung Yamaha r6 rj11/rj15

Kontaktdaten:

Beitrag von wolli »

Und was steht auf der Verpackung :wink: YAMAHA


Aber weder NSK, KOYO, NTN, INA, SKF, FAG, Nadella, ZEN, IKO, SNR, JNS usw. habe die im Programm.!!

Grüßle
Wolfgang
ich habe genau hingeschaut.
DA WAR KEIN BREMSPUNKT !!!

http://www.ahnendorptuning.nl
IJUIN Motorsport Neuss
  • Benutzeravatar
  • Cowboy1984 Offline
  • Beiträge: 835
  • Registriert: Sonntag 1. Januar 2006, 18:20
  • Motorrad: Yamaha rj15
  • Lieblingsstrecke: Brünn
  • Wohnort: Oftersheim am Hockenheimring
  • Kontaktdaten:

Re: Radlager Bezeichnung Yamaha r6 rj11/rj15

Kontaktdaten:

Beitrag von Cowboy1984 »

wolli hat geschrieben:Und was steht auf der Verpackung :wink: YAMAHA


Aber weder NSK, KOYO, NTN, INA, SKF, FAG, Nadella, ZEN, IKO, SNR, JNS usw. habe die im Programm.!!

Grüßle
Wolfgang
Schande über mein Haupt, hab ich ganz verpennt das du noch lebst :axed:

Auf dem Lager steht irgendwas mit KOYO / SKM 33xxxx Und Japan :)
Lager.jpg
Lager.jpg (25.81 KiB) 2048 mal betrachtet
Antworten