Hy zusammen
Was für welche Nieten brauche ich um einen Akrapovic Titan Endtopf wieder neu zu vernieten?
Auf der Akrapovic Homepage steht 9.4 * 4.7 * 8.8 mm, Gasdicht. Sind aber sauteuer, das gibts sicher günstiger!
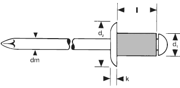
Die Masse kapiere ich nicht ganz. Kann mir jemand helfen?
Ist 9.4 "I" und 4.7 "d"? was ist dann 8.8? (siehe Bild im Anhang)
Oder kannst du gar eine passende Alternative empfehlen?
Thanks!
Gruzz
Marco
welche Nieten, Akrapovic Titan Endtopf vernieten
Fahrwerk, Tuning, Reifen, Tips&Tricks,...
welche Nieten, Akrapovic Titan Endtopf vernieten
Kontaktdaten:
- Dateianhänge
-
- Niete.png (4.47 KiB) 3781 mal betrachtet
- Henning #17 Offline
- Beiträge: 7597
- Registriert: Dienstag 23. Oktober 2007, 17:20
- Motorrad: RN65 & RS250
- Lieblingsstrecke: Aragón & Mugello
- Wohnort: Lübeck
Re: welche Nieten, Akrapovic Titan Endtopf vernieten
Kontaktdaten:
Google einfach mal nach Edelstahl Bechernieten, da wirst du fündig. Wichtig zur Verarbeitung der VA Nieten ist eine vernünftige Nietzange, der billige "Baumarktschrott" ist für Alunieten konstruiert, VA benötigt höhere Zugkräfte.
Termine 2026

bislang geplant: 4 Tage Brünn, 4 Tage Oscherleben

bislang geplant: 4 Tage Brünn, 4 Tage Oscherleben
- lx4blade Offline
- Beiträge: 278
- Registriert: Mittwoch 25. Dezember 2013, 19:59
- Motorrad: GSXR 1000 K5
- Lieblingsstrecke: Spa-Francorchamps
- Wohnort: Rodenbourg (L)
Re: welche Nieten, Akrapovic Titan Endtopf vernieten
Kontaktdaten:
http://bfy.tw/I1dU
--> https://www.schrauben-lexikon.de/td10-b ... echnik.asp
du aber selbst lesen unter 10.3
hab's überlebt
--> https://www.schrauben-lexikon.de/td10-b ... echnik.asp
du aber selbst lesen unter 10.3
hab's überlebt
Immer eine Handbreite Asphalt unterm Gummi....
- Henning #17 Offline
- Beiträge: 7597
- Registriert: Dienstag 23. Oktober 2007, 17:20
- Motorrad: RN65 & RS250
- Lieblingsstrecke: Aragón & Mugello
- Wohnort: Lübeck
Re: welche Nieten, Akrapovic Titan Endtopf vernieten
Kontaktdaten:
Termine 2026

bislang geplant: 4 Tage Brünn, 4 Tage Oscherleben

bislang geplant: 4 Tage Brünn, 4 Tage Oscherleben
Re: welche Nieten, Akrapovic Titan Endtopf vernieten
Kontaktdaten:
lx4blade hat geschrieben:http://bfy.tw/I1dU
--> https://www.schrauben-lexikon.de/td10-b ... echnik.asp
du aber selbst lesen unter 10.3
hab's überlebt
Hilft mir aber nicht weiter. Ich wollte ja wissen wie die Masse der originalen Akrapofick Niete zu interpretieren sind. Sicher nicht so wie unter 10.3 beschrieben (d2 / k / dm)
- neos1993 Offline
- Beiträge: 140
- Registriert: Montag 23. Februar 2015, 18:21
- Motorrad: '86 SR500 48T
- Wohnort: Bergisches
Re: welche Nieten, Akrapovic Titan Endtopf vernieten
Kontaktdaten:
marco99 hat geschrieben:lx4blade hat geschrieben:http://bfy.tw/I1dU
--> https://www.schrauben-lexikon.de/td10-b ... echnik.asp
du aber selbst lesen unter 10.3
hab's überlebt![]()
Hilft mir aber nicht weiter. Ich wollte ja wissen wie die Masse der originalen Akrapofick Niete zu interpretieren sind. Sicher nicht so wie unter 10.3 beschrieben (d2 / k / dm)
Warum bist Du dir da nicht so sicher? Ich gehe hierbei blauäugig mal von einer geltenden ISO aus.
Wie eine Schnecke auf einer Schildkröte - Huuuiiiii, ist das schnell!

- Henning #17 Offline
- Beiträge: 7597
- Registriert: Dienstag 23. Oktober 2007, 17:20
- Motorrad: RN65 & RS250
- Lieblingsstrecke: Aragón & Mugello
- Wohnort: Lübeck
Re: welche Nieten, Akrapovic Titan Endtopf vernieten
Kontaktdaten:
marco99 hat geschrieben:
Die Masse kapiere ich nicht ganz. Kann mir jemand helfen?
Ist 9.4 "I" und 4.7 "d"? was ist dann 8.8? (siehe Bild im Anhang)
8,8 = d2
Termine 2026

bislang geplant: 4 Tage Brünn, 4 Tage Oscherleben

bislang geplant: 4 Tage Brünn, 4 Tage Oscherleben
Re: welche Nieten, Akrapovic Titan Endtopf vernieten
Kontaktdaten:
danke Henning!