R6 RJ09 ständig leer
Fahrwerk, Tuning, Reifen, Tips&Tricks,...
Re: R6 RJ09 ständig leer
Kontaktdaten:
ja.
sorry ich hatte nicht eindeutig geschrieben und dann noch falsch verstanden.
sorry ich hatte nicht eindeutig geschrieben und dann noch falsch verstanden.
-
- Brrrp Offline
- Beiträge: 223
- Registriert: Dienstag 25. August 2020, 11:25
- Motorrad: S1000RR
- Lieblingsstrecke: Most
- Wohnort: Markkleeberg
Re: R6 RJ09 ständig leer
Kontaktdaten:
Alles gut, mache ich heute mal.
-
- Brrrp Offline
- Beiträge: 223
- Registriert: Dienstag 25. August 2020, 11:25
- Motorrad: S1000RR
- Lieblingsstrecke: Most
- Wohnort: Markkleeberg
Re: R6 RJ09 ständig leer
Kontaktdaten:
Ich bin Ratlos,… Verzweiflung macht sich breit.
Der Tachostecker hat nur das eine Dauerplus, und misteriöser Weise geht der Wert auch nicht mehr gegen 0 wenn ich den Stecker ziehe.
Keine Ahnung, ich fackel die Bude ab.
Der Tachostecker hat nur das eine Dauerplus, und misteriöser Weise geht der Wert auch nicht mehr gegen 0 wenn ich den Stecker ziehe.
Keine Ahnung, ich fackel die Bude ab.
Re: R6 RJ09 ständig leer
Kontaktdaten:
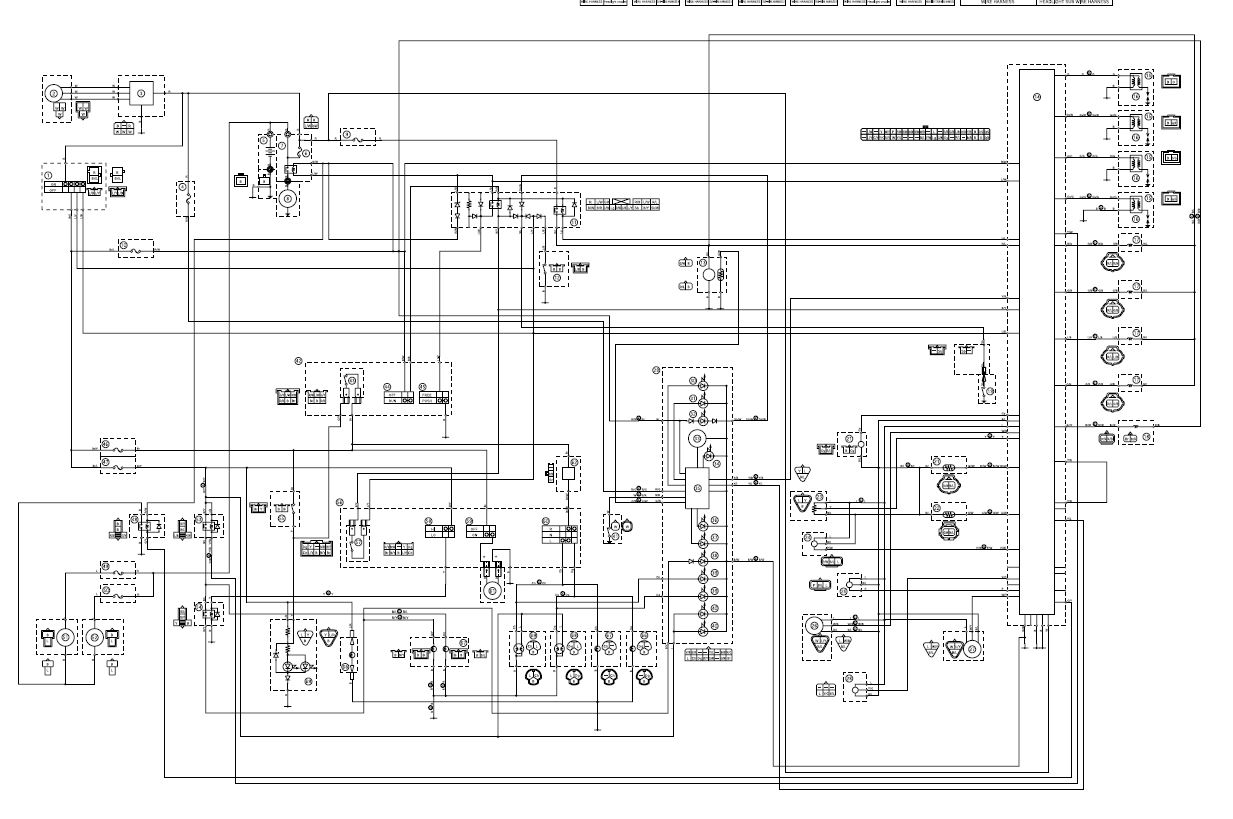
ich hab mir den rj05 Schaltplan nicht angeguckt. kommt der den hin von den Kabeln her?
imho MUSS die 15 und 30 haben. bitte um Berichtigung, ich kenn die R6 nicht!
Da kommt bei mir der Verdacht auf das der Fehler schon vorher irgendwo im Kabelbaum liegt.
imho MUSS die 15 und 30 haben. bitte um Berichtigung, ich kenn die R6 nicht!
Da kommt bei mir der Verdacht auf das der Fehler schon vorher irgendwo im Kabelbaum liegt.
-
- Brrrp Offline
- Beiträge: 223
- Registriert: Dienstag 25. August 2020, 11:25
- Motorrad: S1000RR
- Lieblingsstrecke: Most
- Wohnort: Markkleeberg
Re: R6 RJ09 ständig leer
Kontaktdaten:
Kieck mal..ich hab den mal angehangen.
Die Kabelbelegung passt schon so
Die Kabelbelegung passt schon so
-
- Brrrp Offline
- Beiträge: 223
- Registriert: Dienstag 25. August 2020, 11:25
- Motorrad: S1000RR
- Lieblingsstrecke: Most
- Wohnort: Markkleeberg
Re: R6 RJ09 ständig leer
Kontaktdaten:
Hab schon überlegt den Kabelbaum provisorisch zu tauschen, allerdings wundert mich, dass der Fehler zu wandern scheint.
Mal geht der Wert gegen 0 wenn ich den Hauptstecker zur Frontversorgung trenne und dann wenn ich den Stecker zum Tacho getrennt habe, und auf einmal bleibt der Wert trotzdem gleich.
Verstehe ich nicht ...da muss doch irgendwo auf der Versorgungsleitung ein Kurzer drinnen sein. Und warum zur Hölle ist den Sicherungen das scheiß egal?
Mal geht der Wert gegen 0 wenn ich den Hauptstecker zur Frontversorgung trenne und dann wenn ich den Stecker zum Tacho getrennt habe, und auf einmal bleibt der Wert trotzdem gleich.
Verstehe ich nicht ...da muss doch irgendwo auf der Versorgungsleitung ein Kurzer drinnen sein. Und warum zur Hölle ist den Sicherungen das scheiß egal?
Re: R6 RJ09 ständig leer
Kontaktdaten:
über diese sicherungen kommen wohl die Pluse für das Dashboard.
Nützt aber nix, da ist irgendwo ein Bock drin.
weiter rechts ist ein Plus Knoten? Knoten=Teufelszeug.Verdächtig.
Nützt aber nix, da ist irgendwo ein Bock drin.
weiter rechts ist ein Plus Knoten? Knoten=Teufelszeug.Verdächtig.
-
- Brrrp Offline
- Beiträge: 223
- Registriert: Dienstag 25. August 2020, 11:25
- Motorrad: S1000RR
- Lieblingsstrecke: Most
- Wohnort: Markkleeberg
Re: R6 RJ09 ständig leer
Kontaktdaten:
Ja genau, das ist die Backup Sicherung, wenn ich die Ziehe passiert nichts ..also der Wert bleibt gleich.
Wo genau meinst du weiter rechts? Nr.11? Das ist der Starterrelais, das kanns nicht sein, würde das kleben könnte ich die Zündung nicht anschalten ohne dass die`s Starten versuchen würde.
Wo genau meinst du weiter rechts? Nr.11? Das ist der Starterrelais, das kanns nicht sein, würde das kleben könnte ich die Zündung nicht anschalten ohne dass die`s Starten versuchen würde.
Re: R6 RJ09 ständig leer
Kontaktdaten:
nee, weiter rechts vom kreis, werden mehrere kabel zusammengefasst?
das wäre dann gelötet oder so und eine potentielle Fehlerquelle.
das wäre dann gelötet oder so und eine potentielle Fehlerquelle.
Re: R6 RJ09 ständig leer
Kontaktdaten:
die backup sicherung ist vermtl dauerplus.
die andere vom Zündschloss. sollte auch am tacho ankommen.
die andere vom Zündschloss. sollte auch am tacho ankommen.