Suzuki GSX-R 750 SRAD - Aufbau einer WSBK Legende
Der Bereich für Eure Projekte, Um- und Aufbauten. Auch Tips und Tricks zu Feinheiten, aber keine Standardthemen wie: so wechselte ich die Bremsbeläge.
- Lion #87 Offline
- Beiträge: 179
- Registriert: Mittwoch 19. Mai 2021, 07:54
- Motorrad: Suzuki GSX-R 750
- Lieblingsstrecke: Schleiz
Re: Suzuki GSX-R 750 SRAD - Aufbau einer WSBK Legende
Kontaktdaten:
Jetzt kommt ein umfangreicheres Thema, mit dem ich sehr viel Zeit verbracht habe.
Von einem erfahrenen SRAD Schrauber bekam ich den heißen Tipp, dass eine andere Schwinge das Fahrverhalten der SRAD wirklich immens verbessern soll. Und zwar die Schwinge der GSX-R 1000 K5.
Da diese einen anderen Schwingenachsendurchmesser hat als die SRAD braucht man für diesen Umbau Adapterhülsen, die ich bei Bähr Racing gekauft habe.
Zusätzlich braucht man für den Umbau:
- Schwingenachse der K5
- Bremssattelträger (geführt) mit Bremszange der K5
- Spezielle Raddistanzhülsen (dazu später mehr)
- Die Umlenkung der SRAD
- Tieferlegungsknochen um 25mm (die gibt es hier: https://www.bikefarmmv.com/epages/79512 ... %20SRAD%22 )
- Hinterradachse der SRAD
- Bei den Kettenverstellern habe ich direkt welche von Gilles mitgekauft (lohnt sich). Ansonsten sollten die von der K5 passen.
Weil der Rahmen der SRAD nicht in die Pulverbeschichtungsanlage unserer Firma passt und die Schwinge in Schwarz kam, musste eine andere Lösung her. Ich entschied mich dazu die Schwinge zu entlacken.
Dazu benutzte ich den Lackentferner der Fa. Colour-EX.
Als erstes habe ich die Schwinge aufgehängt und dick mit dem Colour-EX eingeschmiert. Das Ganze in eine Tüte gehüllt, ließ ich den Entferner erstmal 24h einziehen.
Am nächsten Tag war schon einiges zu sehen. Allerdings musste ich das Ganze noch 2x wiederholen, bis die Schwinge wirklich blank war. An engen Kanten, musste ich auch intensiv mit der Kupferbürste nacharbeiten. Wer so etwas machen will sollte sich einer Sache klar sein – Es ist eine Scheißarbeit.
Nach dem Entlacken polierte ich die Schwinge entsprechend einem Tipp aus den CSBK Paddock mit WD40 und ganz feinem Schleifvlies. Wichtig ist hierbei immer nur in eine Richtung und möglichst grade über die Schwinge zu streichen. Das Ergebnis ist großartig!
Von einem erfahrenen SRAD Schrauber bekam ich den heißen Tipp, dass eine andere Schwinge das Fahrverhalten der SRAD wirklich immens verbessern soll. Und zwar die Schwinge der GSX-R 1000 K5.
Da diese einen anderen Schwingenachsendurchmesser hat als die SRAD braucht man für diesen Umbau Adapterhülsen, die ich bei Bähr Racing gekauft habe.
Zusätzlich braucht man für den Umbau:
- Schwingenachse der K5
- Bremssattelträger (geführt) mit Bremszange der K5
- Spezielle Raddistanzhülsen (dazu später mehr)
- Die Umlenkung der SRAD
- Tieferlegungsknochen um 25mm (die gibt es hier: https://www.bikefarmmv.com/epages/79512 ... %20SRAD%22 )
- Hinterradachse der SRAD
- Bei den Kettenverstellern habe ich direkt welche von Gilles mitgekauft (lohnt sich). Ansonsten sollten die von der K5 passen.
Weil der Rahmen der SRAD nicht in die Pulverbeschichtungsanlage unserer Firma passt und die Schwinge in Schwarz kam, musste eine andere Lösung her. Ich entschied mich dazu die Schwinge zu entlacken.
Dazu benutzte ich den Lackentferner der Fa. Colour-EX.
Als erstes habe ich die Schwinge aufgehängt und dick mit dem Colour-EX eingeschmiert. Das Ganze in eine Tüte gehüllt, ließ ich den Entferner erstmal 24h einziehen.
Am nächsten Tag war schon einiges zu sehen. Allerdings musste ich das Ganze noch 2x wiederholen, bis die Schwinge wirklich blank war. An engen Kanten, musste ich auch intensiv mit der Kupferbürste nacharbeiten. Wer so etwas machen will sollte sich einer Sache klar sein – Es ist eine Scheißarbeit.
Nach dem Entlacken polierte ich die Schwinge entsprechend einem Tipp aus den CSBK Paddock mit WD40 und ganz feinem Schleifvlies. Wichtig ist hierbei immer nur in eine Richtung und möglichst grade über die Schwinge zu streichen. Das Ergebnis ist großartig!
Always try to get faster!
#CSBK #87 #GSXR #SRAD
#CSBK #87 #GSXR #SRAD
- Lion #87 Offline
- Beiträge: 179
- Registriert: Mittwoch 19. Mai 2021, 07:54
- Motorrad: Suzuki GSX-R 750
- Lieblingsstrecke: Schleiz
Re: Suzuki GSX-R 750 SRAD - Aufbau einer WSBK Legende
Kontaktdaten:
Als Nächstes ging es daran, den ganzen Spaß zu montieren.
Die Montagehülsen der Schwingenachse zu entfernen war eine Angelegenheit großer Freude, weil eine der klitzekleinen Kreuzschlitzsenkschrauben festgegammelt war. Am Ende konnte das nur das Schweißgerät und eine angeheftete Schraube noch richten.
Danach ging es eigentlich ganz schnell – die originale Schwinge samt Lagerhülsen raus. Hierbei fiel auf, dass sie Schwinge vermutlich eh bald andere Wege eingeschlagen hätte, da eine Schraube der Umlenkung wohl vom Vorbesitzer gelöst und dann nicht wieder festgeschraubt wurde. Sie war nämlich kurz davor von selber herauszufallen. Das hätte böse enden können…
Also weiter im Text: Rein mit den neuen Hülsen und mit den Muttern des Originalteils kontern.
Dann geht alles Schlag auf Schlag – Schwinge rein, Umlenkung wieder befestigen (vorher prüfen, ob die Lager noch in Ordnung sind! Meine waren fritte und schon sehr knusperig!). Das Federbein von oben einschieben und montieren. Danach kann das Hinterrad mit den entsprechenden Hülsen und der K5 Bremse eingebaut werden.
Durch die neue Verlegung braucht man hinten eine neue Bremsleitung! Ich bediene mich hier immer beim Sortiment der Fa. Micron Systems. Top Service mit fairen Preisen – und das ganze auch noch sehr schnell! ( https://www.micronsystems.de/ )
Ich habe auch noch gleich auf eine 520er Kette umgerüstet und ein Alu-Kettenrad der Fa. Wieres verbaut. Die Gewichtsersparnis durch das Kettenrad ist echt enorm! ( https://www.wieres.com/Shop/alu%20kettenrad/38)
Als Privatkunde kann man bei Wieres nicht einkaufen. Darum – Artikelnummern heraussuchen und an den Händler des Vertrauens wenden. Ich bestelle meine Teile über Moto Officina Frankenberger in Stetten.
( https://motorrad.moto-officina.de/ )
Beim Einbau der Schwinge kamen noch ein paar Details dazu. Zum Beispiel die Kettenfinne, die ich aus einem Blech angefertigt habe. Die Gewinde zum Montieren habe ich einfach selber an der Schwinge angebracht.
Dazu kam noch ein kleines Gadget, dass ich mir aus der Langstrecke abgeschaut habe – ein kleiner Haken, um beim Radwechsel die Kette einzuhängen, damit sie nicht im Weg ist.
Hergestellt mit Metallbügelsäge, Bohrer und Feile aus einem Stück Blechschrott.
Damit das Fahrwerk perfekt funktioniert, nahm ich die SRAD letzte Woche mit auf eine kleine Reise Richtung Mainz zu Pepe Tuning. Hier wurde mit erfahrener Hand die perfekte Heckhöhe und das Fahrwerkssetup eingestellt.
Die Montagehülsen der Schwingenachse zu entfernen war eine Angelegenheit großer Freude, weil eine der klitzekleinen Kreuzschlitzsenkschrauben festgegammelt war. Am Ende konnte das nur das Schweißgerät und eine angeheftete Schraube noch richten.
Danach ging es eigentlich ganz schnell – die originale Schwinge samt Lagerhülsen raus. Hierbei fiel auf, dass sie Schwinge vermutlich eh bald andere Wege eingeschlagen hätte, da eine Schraube der Umlenkung wohl vom Vorbesitzer gelöst und dann nicht wieder festgeschraubt wurde. Sie war nämlich kurz davor von selber herauszufallen. Das hätte böse enden können…
Also weiter im Text: Rein mit den neuen Hülsen und mit den Muttern des Originalteils kontern.
Dann geht alles Schlag auf Schlag – Schwinge rein, Umlenkung wieder befestigen (vorher prüfen, ob die Lager noch in Ordnung sind! Meine waren fritte und schon sehr knusperig!). Das Federbein von oben einschieben und montieren. Danach kann das Hinterrad mit den entsprechenden Hülsen und der K5 Bremse eingebaut werden.
Durch die neue Verlegung braucht man hinten eine neue Bremsleitung! Ich bediene mich hier immer beim Sortiment der Fa. Micron Systems. Top Service mit fairen Preisen – und das ganze auch noch sehr schnell! ( https://www.micronsystems.de/ )
Ich habe auch noch gleich auf eine 520er Kette umgerüstet und ein Alu-Kettenrad der Fa. Wieres verbaut. Die Gewichtsersparnis durch das Kettenrad ist echt enorm! ( https://www.wieres.com/Shop/alu%20kettenrad/38)
Als Privatkunde kann man bei Wieres nicht einkaufen. Darum – Artikelnummern heraussuchen und an den Händler des Vertrauens wenden. Ich bestelle meine Teile über Moto Officina Frankenberger in Stetten.
( https://motorrad.moto-officina.de/ )
Beim Einbau der Schwinge kamen noch ein paar Details dazu. Zum Beispiel die Kettenfinne, die ich aus einem Blech angefertigt habe. Die Gewinde zum Montieren habe ich einfach selber an der Schwinge angebracht.
Dazu kam noch ein kleines Gadget, dass ich mir aus der Langstrecke abgeschaut habe – ein kleiner Haken, um beim Radwechsel die Kette einzuhängen, damit sie nicht im Weg ist.
Hergestellt mit Metallbügelsäge, Bohrer und Feile aus einem Stück Blechschrott.
Damit das Fahrwerk perfekt funktioniert, nahm ich die SRAD letzte Woche mit auf eine kleine Reise Richtung Mainz zu Pepe Tuning. Hier wurde mit erfahrener Hand die perfekte Heckhöhe und das Fahrwerkssetup eingestellt.
Always try to get faster!
#CSBK #87 #GSXR #SRAD
#CSBK #87 #GSXR #SRAD
- Lion #87 Offline
- Beiträge: 179
- Registriert: Mittwoch 19. Mai 2021, 07:54
- Motorrad: Suzuki GSX-R 750
- Lieblingsstrecke: Schleiz
Re: Suzuki GSX-R 750 SRAD - Aufbau einer WSBK Legende
Kontaktdaten:
Jetzt kommen wir zum Thema Raddistanzen und damit auch ins Hier und Jetzt. Denn diese feinen Teile habe ich erst heute abgeholt. Einbau erfolgt (hoffentlich) später.
Das irgendetwas mit den Raddistanzen nicht passt kam nur durch Zufall heraus weil ich gerne feste Distanzhülsen mit Fase haben wollte, damit diese nicht mehr herausfallen können und sich leichter montiere lassen.
Dabei kam heraus, dass das Hinterrad garnicht ohne Weiteres so gut in die Schwinge hätte passen dürfen, wie es bei mir der Fall war…
Eine lange Fehlersuche ging los, bei der ich mit vielen Leuten Kontakt aufnehmen musste, um den Fehler zu finden.
Der Fehler lag… Trommelwirbel… mal wieder beim Vorbesitzer. Dieser hatte nämlich scheinbar eine der Distanzhülsen verloren und einfach durch irgendein halbwegs passendes Teil ersetzt. Und dann auch noch die noch vorhandene Hülse auf die Falsche Seite montiert. In diesem Fall war das sogar besser so, denn die Ersatzhülse hatte keinen Absatz, der in das Radlager greift. Zum Glück war das Teil auf der Kettenradseite montiert, so dass „nur“ der Kettenradträger zur Hälfte ungeführt war. Auf der Anderen Seite der Felge wäre das böse ausgegangen, weil das Radlager dann keinen Kontakt zur Achse hergestellt hätte.
Die Lösung des Problems lag in meinen eigenen Fähigkeiten und Kontakten. Da ich zeitnah keine passenden Teile beschaffen konnte, entwarf ich diese kurzerhand einfach selber und ließ sie mir durch einen bekannten an einer CNC Drehmaschine aus AW 7075 Dura- oder im Volksmund Flugzeugaluminium anfertigen. Das Rohmaterial hierfür gibt es auf ebay.
Seien wir also gespannt, ob diese kleinen Kunstwerke nachher tun, was sie sollen… Ich berichte wieder…
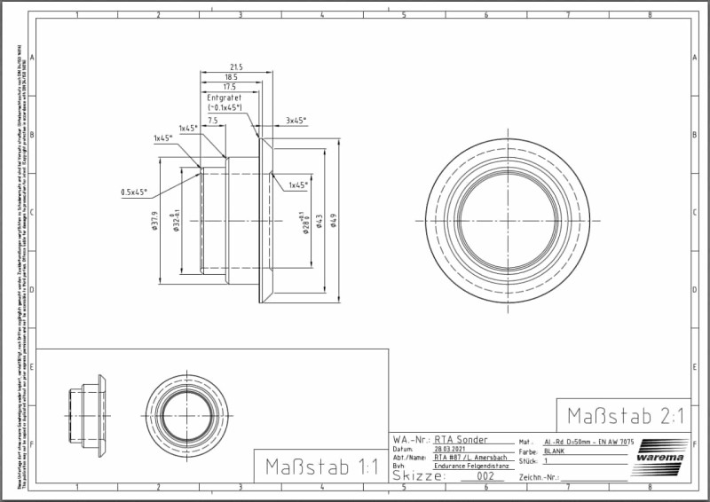
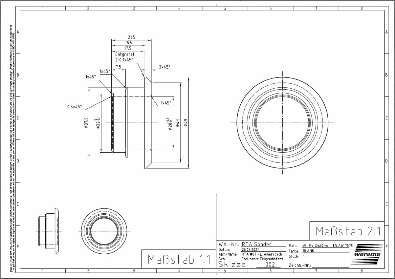
Die Abmaße mit Originalhülsen. Die Linke Hülse war rechts montiert und die Rechte Hülse ist weg.
Die Maße der Originalteile
Die Maße der Schwinge mit den neuen Hülsen
Aus solchen Blöcken wurden die Kunstwerke geschaffen…
Und hier das Ergebnis:
Das irgendetwas mit den Raddistanzen nicht passt kam nur durch Zufall heraus weil ich gerne feste Distanzhülsen mit Fase haben wollte, damit diese nicht mehr herausfallen können und sich leichter montiere lassen.
Dabei kam heraus, dass das Hinterrad garnicht ohne Weiteres so gut in die Schwinge hätte passen dürfen, wie es bei mir der Fall war…
Eine lange Fehlersuche ging los, bei der ich mit vielen Leuten Kontakt aufnehmen musste, um den Fehler zu finden.
Der Fehler lag… Trommelwirbel… mal wieder beim Vorbesitzer. Dieser hatte nämlich scheinbar eine der Distanzhülsen verloren und einfach durch irgendein halbwegs passendes Teil ersetzt. Und dann auch noch die noch vorhandene Hülse auf die Falsche Seite montiert. In diesem Fall war das sogar besser so, denn die Ersatzhülse hatte keinen Absatz, der in das Radlager greift. Zum Glück war das Teil auf der Kettenradseite montiert, so dass „nur“ der Kettenradträger zur Hälfte ungeführt war. Auf der Anderen Seite der Felge wäre das böse ausgegangen, weil das Radlager dann keinen Kontakt zur Achse hergestellt hätte.
Die Lösung des Problems lag in meinen eigenen Fähigkeiten und Kontakten. Da ich zeitnah keine passenden Teile beschaffen konnte, entwarf ich diese kurzerhand einfach selber und ließ sie mir durch einen bekannten an einer CNC Drehmaschine aus AW 7075 Dura- oder im Volksmund Flugzeugaluminium anfertigen. Das Rohmaterial hierfür gibt es auf ebay.
Seien wir also gespannt, ob diese kleinen Kunstwerke nachher tun, was sie sollen… Ich berichte wieder…
Die Abmaße mit Originalhülsen. Die Linke Hülse war rechts montiert und die Rechte Hülse ist weg.
Die Maße der Originalteile
Die Maße der Schwinge mit den neuen Hülsen
Aus solchen Blöcken wurden die Kunstwerke geschaffen…
Und hier das Ergebnis:
Always try to get faster!
#CSBK #87 #GSXR #SRAD
#CSBK #87 #GSXR #SRAD
- Lion #87 Offline
- Beiträge: 179
- Registriert: Mittwoch 19. Mai 2021, 07:54
- Motorrad: Suzuki GSX-R 750
- Lieblingsstrecke: Schleiz
Re: Suzuki GSX-R 750 SRAD - Aufbau einer WSBK Legende
Kontaktdaten:
Wenden wir uns meinem größten Stolz und meiner größten Verzweiflung zu: der Elektrik. Beziehungsweise meinem Wahn von einem schönen Dashboard mit genau den Anzeigen, die ich haben wollte.
Nachdem mich die Idee nicht mehr losgelassen hat, mir das perfekte Dashboard zu entwerfen, ging es erstmal ans Reißbrett. Beziehungsweise mit moderner Technik an ein CAD Programm. Für mich als technischer Zeichner war das natürlich naheliegend. Hier erstmal eine Übersicht der verschiedenen Designstadien:
Nachdem die grundsätzlichen Angelegenheiten geplant waren, ging es an die Teilebeschaffung.
Folgen des musste ich beschaffen:
- AMP Stecker mit Zange
- Kabel (insgesamt 110M in 11 Farben)
- Schmelzverbinder
- Schrumpfschläuche
- Einen Drehzahlmesser (hier stand mir der Sinn nach etwas klassischem. Darum entschied ich mich für den Drehzahlmesser einer GSX-R 750 Slingshot)
- Diverse LEDs (ebay – Links kann ich bei Bedarf heraussuchen)
- Eine Ganganzeige von GiPro mit elektrischer Gangentdrosselung
- Einen Schaltblitz von Motorradtechnik Engelmann
- Einen Laptimer von Racefoxx
- Einen Handschalter mit dem ich den Lüfter bei Bedarf manuell einschalten kann.
-> Bei der SRAD schaltet sich dieser bei etwa 107°C ein. Das fand ich zu spät, weil ich die Temperatur bei einem heißen Rennen am Vorstart nicht zu stark steigen lassen wollte. Darum baute ich mir hierfür einen Schaltkreis mit parallel geschalteter LED (Gelb) als Erinnerung, damit ich den Lüfter nicht im Eifer des Gefechtes vergesse.
- Außerdem eine LED (Blau) für die Zündung, die ich mit einem Keyswitch Elimination Harness der Firma Woodcraft USA auf den Killschalter gelegt habe. Der Schalter stammt von einer Honda CBR 1000RR. Das hat zwei Gründe: die geringere Baubreite, was für meinen Domino Kurzhubgasgriff mehr Platz lässt und weil die Suzukischalter die zusätzliche Spannung (angeblich) nicht sehr gut vertragen. Und man will ja nichts riskieren…
Die Ganzanzeige sollte eigentlich ein einbaufertiges Kit mit passenden Steckern sein. An sich stimmte das auch. Zumindest teilweise…
Denn die Kabel waren leider alle viel zu kurz. Unter Zeitdruck und weil ich keinen Nerv für ewiges hin und her mit dem Verkäufer hatte, habe ich sie einfach kurzer Hand verlängert.
(Bei der GiPro muss man beachten, dass man die Gänge über den Touchsensor anlernen muss und auch der TRE Modus, der die Gangdrosselungen ausschaltet, erst aktiviert werden muss.)
Das klappte dann auch. Die Neutralleuchte (Grün) konnte ich auch direkt anschließen.
Die Öldruckwarnleuchten ließen sich problemlos anschließen. Um einen kompletten Ausfall zu verhindern, habe ich sie Parallel geschaltet.
Die Koso Temperaturanzeige anzuschließen hat mich etwas Zeit gekostet, weil ich einen guten Weg finden musste, einen Signalgeber zu platzieren. Letzten Endes habe ich mich für ein Zwischenstück entschieden, dass ich direkt in einen der Schläuche integriert habe.
(Schlauch durchsägen, einstecken, Schlauchschellen)
[Dieses Verbindungsstück samt Sensor gibt es bei diversen Onlineanbietern.]
Also war wieder ein Punkt auf der langen Liste abgehakt.
An der nächsten Problematik habe ich mir (bis jetzt) die Zähne ausgebissen: Die Tankanzeige. Eine kleine, rote LED die mich nach und nach durch ihr nicht aufleuchten in den Wahnsinn treibt. Auf Grund von Zeitproblemen vor dem ersten Test 2021 muss ich dieses Thema erstmal zurückstellen.
Als letzter nervenaufreibender Punkt kann auf jeden Fall der Drehzahlmesser genannt werden. Dieses Scheißteil hat mich mit seiner Bewegungslosigkeit an den Rand eines Wutausbruchs getrieben. Was waren die Ursachen dafür?
Zum einen ist das Werkstatthandbuch unglaublich suboptimal was solche Themen angeht (man könnte an dieser Stelle anmerken, dass sich von den Ingenieuren in Hamamatsu keiner denken konnte, dass ein Trottel in einem deutschen Heizungskeller auf die Idee kommen könnte, sich selber ein Dashboard für das Teil zusammenzubasteln) und zum anderen wusste ich nicht, dass das Steuergerät der SRAD nur ein Digitales Signal an den Drehzahlmesser abgibt und mein erwählter Drehzahlmesser der ölgekühlten GSX-R 750 ein klassisches „Spannungssignal“ benötigt.
Nach einigen sehr hilfreichen Tipps von vielen Seiten (besonderer Dank geht an dieser Stelle an Dietmar #7), konnte ich mit das Signal direkt von der Quelle holen. Dem Zündkabel von Zylinder 1. Das musste ich auftrennen und das zusätzliche Signalkabel mit einlöten.
Siehe da – mit einem Knicker Drehzahlmesser funktioniert das Ganze schonmal.
Dummerweise stellte sich heraus, dass mein erwählter Drehzahlmesser Schrott war, was das Anschließen definitiv nicht erleichtert hat. Genau wie der Nächste. Aktuell suche ich nach einem weiteren Ersatz, der nach Möglichkeit funktionieren sollte…
Was ich hier in einigen Zeilen zusammengefasst habe, waren Unmengen an Arbeitsstunden, in denen ich alle Tachoelemente völlig neu verkabelt habe. Hoffen wir mal, dass ich noch zeitnah einen Drehzahlmesser finde und dann die Tankanzeige endlich hinbekomme. Oder jemand anderes. Hauptsache alles funktioniert endlich.
Zum Gehäuse selber: die beiden Grundplatten habe ich aus Carbon fräsen lassen und mit Schrauben und Silentblöcken verbunden, um Vibrationen so gut wie möglich zu reduzieren.
Nachdem mich die Idee nicht mehr losgelassen hat, mir das perfekte Dashboard zu entwerfen, ging es erstmal ans Reißbrett. Beziehungsweise mit moderner Technik an ein CAD Programm. Für mich als technischer Zeichner war das natürlich naheliegend. Hier erstmal eine Übersicht der verschiedenen Designstadien:
Nachdem die grundsätzlichen Angelegenheiten geplant waren, ging es an die Teilebeschaffung.
Folgen des musste ich beschaffen:
- AMP Stecker mit Zange
- Kabel (insgesamt 110M in 11 Farben)
- Schmelzverbinder
- Schrumpfschläuche
- Einen Drehzahlmesser (hier stand mir der Sinn nach etwas klassischem. Darum entschied ich mich für den Drehzahlmesser einer GSX-R 750 Slingshot)
- Diverse LEDs (ebay – Links kann ich bei Bedarf heraussuchen)
- Eine Ganganzeige von GiPro mit elektrischer Gangentdrosselung
- Einen Schaltblitz von Motorradtechnik Engelmann
- Einen Laptimer von Racefoxx
- Einen Handschalter mit dem ich den Lüfter bei Bedarf manuell einschalten kann.
-> Bei der SRAD schaltet sich dieser bei etwa 107°C ein. Das fand ich zu spät, weil ich die Temperatur bei einem heißen Rennen am Vorstart nicht zu stark steigen lassen wollte. Darum baute ich mir hierfür einen Schaltkreis mit parallel geschalteter LED (Gelb) als Erinnerung, damit ich den Lüfter nicht im Eifer des Gefechtes vergesse.
- Außerdem eine LED (Blau) für die Zündung, die ich mit einem Keyswitch Elimination Harness der Firma Woodcraft USA auf den Killschalter gelegt habe. Der Schalter stammt von einer Honda CBR 1000RR. Das hat zwei Gründe: die geringere Baubreite, was für meinen Domino Kurzhubgasgriff mehr Platz lässt und weil die Suzukischalter die zusätzliche Spannung (angeblich) nicht sehr gut vertragen. Und man will ja nichts riskieren…
Die Ganzanzeige sollte eigentlich ein einbaufertiges Kit mit passenden Steckern sein. An sich stimmte das auch. Zumindest teilweise…
Denn die Kabel waren leider alle viel zu kurz. Unter Zeitdruck und weil ich keinen Nerv für ewiges hin und her mit dem Verkäufer hatte, habe ich sie einfach kurzer Hand verlängert.
(Bei der GiPro muss man beachten, dass man die Gänge über den Touchsensor anlernen muss und auch der TRE Modus, der die Gangdrosselungen ausschaltet, erst aktiviert werden muss.)
Das klappte dann auch. Die Neutralleuchte (Grün) konnte ich auch direkt anschließen.
Die Öldruckwarnleuchten ließen sich problemlos anschließen. Um einen kompletten Ausfall zu verhindern, habe ich sie Parallel geschaltet.
Die Koso Temperaturanzeige anzuschließen hat mich etwas Zeit gekostet, weil ich einen guten Weg finden musste, einen Signalgeber zu platzieren. Letzten Endes habe ich mich für ein Zwischenstück entschieden, dass ich direkt in einen der Schläuche integriert habe.
(Schlauch durchsägen, einstecken, Schlauchschellen)
[Dieses Verbindungsstück samt Sensor gibt es bei diversen Onlineanbietern.]
Also war wieder ein Punkt auf der langen Liste abgehakt.
An der nächsten Problematik habe ich mir (bis jetzt) die Zähne ausgebissen: Die Tankanzeige. Eine kleine, rote LED die mich nach und nach durch ihr nicht aufleuchten in den Wahnsinn treibt. Auf Grund von Zeitproblemen vor dem ersten Test 2021 muss ich dieses Thema erstmal zurückstellen.
Als letzter nervenaufreibender Punkt kann auf jeden Fall der Drehzahlmesser genannt werden. Dieses Scheißteil hat mich mit seiner Bewegungslosigkeit an den Rand eines Wutausbruchs getrieben. Was waren die Ursachen dafür?
Zum einen ist das Werkstatthandbuch unglaublich suboptimal was solche Themen angeht (man könnte an dieser Stelle anmerken, dass sich von den Ingenieuren in Hamamatsu keiner denken konnte, dass ein Trottel in einem deutschen Heizungskeller auf die Idee kommen könnte, sich selber ein Dashboard für das Teil zusammenzubasteln) und zum anderen wusste ich nicht, dass das Steuergerät der SRAD nur ein Digitales Signal an den Drehzahlmesser abgibt und mein erwählter Drehzahlmesser der ölgekühlten GSX-R 750 ein klassisches „Spannungssignal“ benötigt.
Nach einigen sehr hilfreichen Tipps von vielen Seiten (besonderer Dank geht an dieser Stelle an Dietmar #7), konnte ich mit das Signal direkt von der Quelle holen. Dem Zündkabel von Zylinder 1. Das musste ich auftrennen und das zusätzliche Signalkabel mit einlöten.
Siehe da – mit einem Knicker Drehzahlmesser funktioniert das Ganze schonmal.
Dummerweise stellte sich heraus, dass mein erwählter Drehzahlmesser Schrott war, was das Anschließen definitiv nicht erleichtert hat. Genau wie der Nächste. Aktuell suche ich nach einem weiteren Ersatz, der nach Möglichkeit funktionieren sollte…
Was ich hier in einigen Zeilen zusammengefasst habe, waren Unmengen an Arbeitsstunden, in denen ich alle Tachoelemente völlig neu verkabelt habe. Hoffen wir mal, dass ich noch zeitnah einen Drehzahlmesser finde und dann die Tankanzeige endlich hinbekomme. Oder jemand anderes. Hauptsache alles funktioniert endlich.
Zum Gehäuse selber: die beiden Grundplatten habe ich aus Carbon fräsen lassen und mit Schrauben und Silentblöcken verbunden, um Vibrationen so gut wie möglich zu reduzieren.
Always try to get faster!
#CSBK #87 #GSXR #SRAD
#CSBK #87 #GSXR #SRAD
- Lion #87 Offline
- Beiträge: 179
- Registriert: Mittwoch 19. Mai 2021, 07:54
- Motorrad: Suzuki GSX-R 750
- Lieblingsstrecke: Schleiz
Re: Suzuki GSX-R 750 SRAD - Aufbau einer WSBK Legende
Kontaktdaten:
Als sonstige kleine Umbauten kann ich wohl folgendes nennen:
Die Ritzelabdeckung habe ich etwas verkleinert. Hierbei war meine Flex sehr hilfreich.
520er Kette mit Ritzel und Alukettenrad von Wieres – Übersetzung 14-46
Den Ausrücker der Seilzugkupplung musste erneuert werden.
Ich habe mir aus 22mm Alurohren von der Stange ein paar Lenkerstummel (Länge=270mm) gedreht.
Ein Kurzhubgasgriff musste her – ich habe mich für den von Domino entschieden. Die Gaszugführungshülsen müssen dafür aber angepasst werden. (Feile)
Der Vorteil des Dominogriffes ist, dass man den Ring im Griff Tauschen kann, um verschiedene Ansprechverhalten zu bekommen. Ich fahre den roten Ring. (ganz kurz)
Motorschutzdeckel der Fa. Carbonadi. Der Ausschnitt um an die Schrauben zum Ventile einstellen zu kommen war eine Sonderanfertigung. Falls ihr das auch so haben möchtet, müsst ihr das Anfragen. Die Schutzwirkung ist dadurch zwar reduziert aber mir war es wichtiger, dass ich anständig an meinem Motor arbeiten kann…
Die steckbaren (und stabileren) Luftkanäle von Sebimoto brauchten einige Arbeit, um ordentlich zu passen. Nicht nur an den Kanälen musste ich viel schleifen, sondern auch an der Airbox musste ich viel Material wegnehmen, damit die Teile in einander passen konnten…
Das neue Geweih von Motoholders konnte natürlich auch nicht einfach passen. Aus irgend einem Grund war die Aufnahme für den Tacho um 20mm nach Links versetzt. Da mein Tacho so ausgelegt ist, dass die Aufnahmen wie beim Original und vor allem MITTIG sitzen, musste ich das natürlich ändern. Im gleichen Zug habe ich noch eine Aufnahme für das Gehäuse der Schaltblitzeinheit angebracht.
Die Ritzelabdeckung habe ich etwas verkleinert. Hierbei war meine Flex sehr hilfreich.
520er Kette mit Ritzel und Alukettenrad von Wieres – Übersetzung 14-46
Den Ausrücker der Seilzugkupplung musste erneuert werden.
Ich habe mir aus 22mm Alurohren von der Stange ein paar Lenkerstummel (Länge=270mm) gedreht.
Ein Kurzhubgasgriff musste her – ich habe mich für den von Domino entschieden. Die Gaszugführungshülsen müssen dafür aber angepasst werden. (Feile)
Der Vorteil des Dominogriffes ist, dass man den Ring im Griff Tauschen kann, um verschiedene Ansprechverhalten zu bekommen. Ich fahre den roten Ring. (ganz kurz)
Motorschutzdeckel der Fa. Carbonadi. Der Ausschnitt um an die Schrauben zum Ventile einstellen zu kommen war eine Sonderanfertigung. Falls ihr das auch so haben möchtet, müsst ihr das Anfragen. Die Schutzwirkung ist dadurch zwar reduziert aber mir war es wichtiger, dass ich anständig an meinem Motor arbeiten kann…
Die steckbaren (und stabileren) Luftkanäle von Sebimoto brauchten einige Arbeit, um ordentlich zu passen. Nicht nur an den Kanälen musste ich viel schleifen, sondern auch an der Airbox musste ich viel Material wegnehmen, damit die Teile in einander passen konnten…
Das neue Geweih von Motoholders konnte natürlich auch nicht einfach passen. Aus irgend einem Grund war die Aufnahme für den Tacho um 20mm nach Links versetzt. Da mein Tacho so ausgelegt ist, dass die Aufnahmen wie beim Original und vor allem MITTIG sitzen, musste ich das natürlich ändern. Im gleichen Zug habe ich noch eine Aufnahme für das Gehäuse der Schaltblitzeinheit angebracht.
Always try to get faster!
#CSBK #87 #GSXR #SRAD
#CSBK #87 #GSXR #SRAD
- Lion #87 Offline
- Beiträge: 179
- Registriert: Mittwoch 19. Mai 2021, 07:54
- Motorrad: Suzuki GSX-R 750
- Lieblingsstrecke: Schleiz
Re: Suzuki GSX-R 750 SRAD - Aufbau einer WSBK Legende
Kontaktdaten:
Ein Update zu den Raddistanzhülsen:
Alles passt. Und ich finde es echt unglaublich geil.
Auf den ersten zwei Bildern auch gut zu sehen: der gefräste Auszieher für die Hinterradachse.
Alles passt. Und ich finde es echt unglaublich geil.
Auf den ersten zwei Bildern auch gut zu sehen: der gefräste Auszieher für die Hinterradachse.
Always try to get faster!
#CSBK #87 #GSXR #SRAD
#CSBK #87 #GSXR #SRAD
- Lion #87 Offline
- Beiträge: 179
- Registriert: Mittwoch 19. Mai 2021, 07:54
- Motorrad: Suzuki GSX-R 750
- Lieblingsstrecke: Schleiz
Re: Suzuki GSX-R 750 SRAD - Aufbau einer WSBK Legende
Kontaktdaten:
Der aktuellste und hoffentlich letzte Punkt ist aktuell die Lackierung. Diese werde ich selber machen. Hoffentlich wird das ordentlich…
Momentan bin ich noch damit beschäftigt, die Verkleidungsteile zu Schleifen, damit ich lackieren kann, sobald das Wetter besser wird. Das wird nämlich eine so genannte „outdoor-activity“.
Das ist der aktuelle Stand:
Fender, Luftkanäle und Heck sind geschliffen. Fehlen „nur“ noch Front und Tank. Diesen mache ich als Letzten, damit ich noch die Möglichkeit habe, Drehzahlmesser zu testen.
Jetzt noch eine besondere Erwähnung für meinen treuen Assistenten, der mir immer mit Fachwissen und Rat zur Seite steht. Danke Garfield!
Momentan bin ich noch damit beschäftigt, die Verkleidungsteile zu Schleifen, damit ich lackieren kann, sobald das Wetter besser wird. Das wird nämlich eine so genannte „outdoor-activity“.
Das ist der aktuelle Stand:
Fender, Luftkanäle und Heck sind geschliffen. Fehlen „nur“ noch Front und Tank. Diesen mache ich als Letzten, damit ich noch die Möglichkeit habe, Drehzahlmesser zu testen.
Jetzt noch eine besondere Erwähnung für meinen treuen Assistenten, der mir immer mit Fachwissen und Rat zur Seite steht. Danke Garfield!
Always try to get faster!
#CSBK #87 #GSXR #SRAD
#CSBK #87 #GSXR #SRAD
- Lion #87 Offline
- Beiträge: 179
- Registriert: Mittwoch 19. Mai 2021, 07:54
- Motorrad: Suzuki GSX-R 750
- Lieblingsstrecke: Schleiz
Re: Suzuki GSX-R 750 SRAD - Aufbau einer WSBK Legende
Kontaktdaten:
Kurzes spät abendliches Update:
Leider hat so einiges garnicht gepasst... Der Tacho muss weiter Richtung Fahrer distanziert werden, die Luftkanäle haben nicht gepasst (das Schleifen und Anpassen war also fürn Arsch) und die Verkleidung musste etwas "optimiert" werden. Morgen gehts weiter...
Leider hat so einiges garnicht gepasst... Der Tacho muss weiter Richtung Fahrer distanziert werden, die Luftkanäle haben nicht gepasst (das Schleifen und Anpassen war also fürn Arsch) und die Verkleidung musste etwas "optimiert" werden. Morgen gehts weiter...
Always try to get faster!
#CSBK #87 #GSXR #SRAD
#CSBK #87 #GSXR #SRAD
- Lion #87 Offline
- Beiträge: 179
- Registriert: Mittwoch 19. Mai 2021, 07:54
- Motorrad: Suzuki GSX-R 750
- Lieblingsstrecke: Schleiz
Re: Suzuki GSX-R 750 SRAD - Aufbau einer WSBK Legende
Kontaktdaten:
Mal wieder ein kurzes Update...
Noch 11 Tage bis zum Shakedown-Test in Oschersleben und ich kann immernoch viel Zeit mit Detailarbeit verbraten.
Die Verkleidung ist jetzt endlich angepasst. Der Bug liegt am Krümmer an und ich warte noch auf die Hitzeschutzfolie, um einen heißen Auftritt zu vermeiden.
Die Drehzahlmesser sollten sich auch langsam mal auf den Weg zu mir machen. Ich dachte eigentlich, sie kommen bis heute... Das wird langsam etwas frustrierend.
Der von einer GSX-F funktioniert zwar aber ist um 0,2mm größer als der von der GSX-R. Danke Suzuki.
Hoffen wir mal, dass die Passenden bald da sind. Sonst muss ich den Tacho nochmal zerlegen und auffeilen...
Apropos Tacho - weil dieser zu weit vorne saß, musste ich mir etwas einfallen lassen. In diesem Fall ein gesägtes und gefeiltes Blech, dass ich an den abgesägten Teil des Motoholders Geweihs genietet und dann mit Einziehmuttern an den Halter geschraubt habe.
Danach hatte ich das Problem, dass meine Züge an Tacho und Verkleidung angelegen haben. Also - alles neu verlegen. Ein Spaß für jede Altersgruppe auf jeden Fall.
Viel Zeit für wenig sichtbaren Fortschritt.
Bis auf den Lack ist soweit aber fast alles fertig - die Uhr tickt trotzdem gnadenlos weiter...
New Updates coming soon!
Noch 11 Tage bis zum Shakedown-Test in Oschersleben und ich kann immernoch viel Zeit mit Detailarbeit verbraten.
Die Verkleidung ist jetzt endlich angepasst. Der Bug liegt am Krümmer an und ich warte noch auf die Hitzeschutzfolie, um einen heißen Auftritt zu vermeiden.
Die Drehzahlmesser sollten sich auch langsam mal auf den Weg zu mir machen. Ich dachte eigentlich, sie kommen bis heute... Das wird langsam etwas frustrierend.
Der von einer GSX-F funktioniert zwar aber ist um 0,2mm größer als der von der GSX-R. Danke Suzuki.
Hoffen wir mal, dass die Passenden bald da sind. Sonst muss ich den Tacho nochmal zerlegen und auffeilen...
Apropos Tacho - weil dieser zu weit vorne saß, musste ich mir etwas einfallen lassen. In diesem Fall ein gesägtes und gefeiltes Blech, dass ich an den abgesägten Teil des Motoholders Geweihs genietet und dann mit Einziehmuttern an den Halter geschraubt habe.
Danach hatte ich das Problem, dass meine Züge an Tacho und Verkleidung angelegen haben. Also - alles neu verlegen. Ein Spaß für jede Altersgruppe auf jeden Fall.
Viel Zeit für wenig sichtbaren Fortschritt.
Bis auf den Lack ist soweit aber fast alles fertig - die Uhr tickt trotzdem gnadenlos weiter...
New Updates coming soon!
Always try to get faster!
#CSBK #87 #GSXR #SRAD
#CSBK #87 #GSXR #SRAD
- Lion #87 Offline
- Beiträge: 179
- Registriert: Mittwoch 19. Mai 2021, 07:54
- Motorrad: Suzuki GSX-R 750
- Lieblingsstrecke: Schleiz
Re: Suzuki GSX-R 750 SRAD - Aufbau einer WSBK Legende
Kontaktdaten:
So. Nachdem es aus Zeitgründen in letzter Zeit etwas ruhiger war, hier mal eine kurze Zusammenfassung, was so los war!
Ich habe alle Teile angeschliffen und zum Lackieren vorbereitet.
Den Tank und Verkleidung habe ich mit Black Spot Primer grundiert und anschließend mit schwarzem Metalliclack und Klarlack neu lackiert.
Ich habe alle Teile angeschliffen und zum Lackieren vorbereitet.
Den Tank und Verkleidung habe ich mit Black Spot Primer grundiert und anschließend mit schwarzem Metalliclack und Klarlack neu lackiert.
Always try to get faster!
#CSBK #87 #GSXR #SRAD
#CSBK #87 #GSXR #SRAD