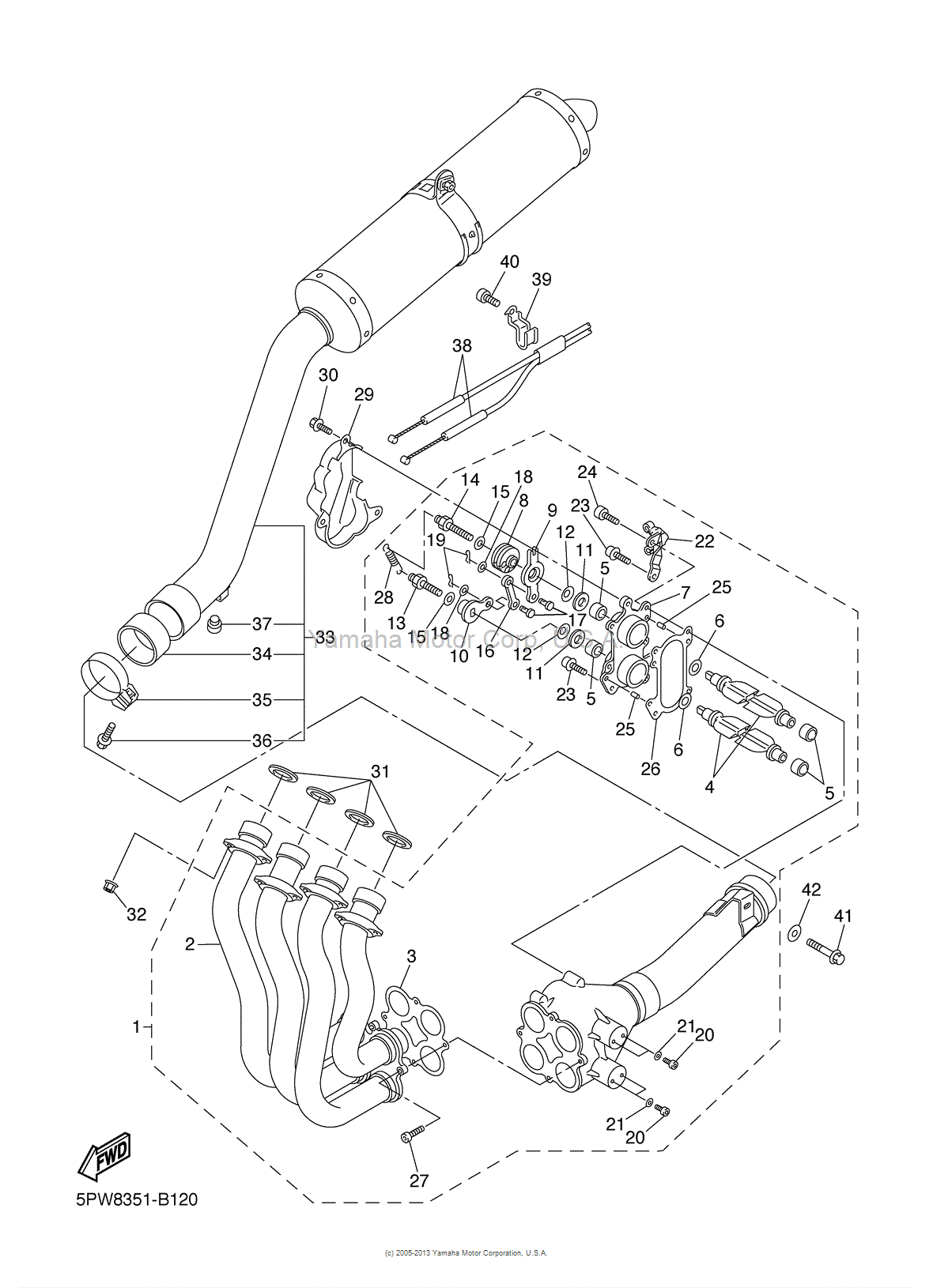
27 90110-06025-00 BOLT, HEXAGON SOCKET HEAD
28 90506-10003-00 SPRING, TENSION
29 5PW-14826-00-00 PROTECTOR, EXHAUST
30 90119-06187-00 BOLT, WITH WASHER
???hallo??
Exup Feder R1 RN09
Fahrwerk, Tuning, Reifen, Tips&Tricks,...
- heroturtle Offline
- Beiträge: 582
- Registriert: Montag 12. Oktober 2009, 07:58
- Motorrad: RSV Tuono R RSV4
- Lieblingsstrecke: Pannonia
- Wohnort: Klagenfurt
Re: Exup Feder R1 RN09
Kontaktdaten:
- hav Offline
- Beiträge: 75
- Registriert: Sonntag 19. April 2009, 12:04
- Motorrad: R1, R6, ZX6R
- Wohnort: Hannover
Re: Exup Feder R1 RN09
Kontaktdaten:
28 oder 30 ist doch egal ... Alle meinen die selbe Feder
Andere Frage: wenn ich das exup System aushänge: Vor- oder Nachteile?
Andere Frage: wenn ich das exup System aushänge: Vor- oder Nachteile?
Gruß, hav
#250
#250
- heroturtle Offline
- Beiträge: 582
- Registriert: Montag 12. Oktober 2009, 07:58
- Motorrad: RSV Tuono R RSV4
- Lieblingsstrecke: Pannonia
- Wohnort: Klagenfurt
Re: Exup Feder R1 RN09
Kontaktdaten:
die Bestellnummern sind gleich..das is wichtig;)
Exup weg wird mit Serienkrümmer warscheinlich eher ne Verschlimmbesserung sein..oben raus,was auf der rennstr. wichtiger is..tut sich nur wegen dem entfernten exup nix weils da ja sowieso ganz offen is...dafür verlierst du unten rum Drehmoment...und hat warscheilich iwo ein Leistungsloch..
Exup weg wird mit Serienkrümmer warscheinlich eher ne Verschlimmbesserung sein..oben raus,was auf der rennstr. wichtiger is..tut sich nur wegen dem entfernten exup nix weils da ja sowieso ganz offen is...dafür verlierst du unten rum Drehmoment...und hat warscheilich iwo ein Leistungsloch..